
The world's first practicable guided weapon
The Brennan Torpedo, invented by Louis Brennan, was designed to be launched from shore based forts as a means of defending a waterway from attacking ships. It was guided and propelled by means of a wire which was unwound from a drum on the torpedo by pulling it from a shore based winding engine.
The first use of the term torpedo was by Robert Fulton around 1800 in reference to the explosive charge towed by his submarine Turtle.
During the American Civil War, the term was used for what is today called a contact mine floating on or below the water surface using an air-filled demijohn or similar flotation device.
The spar torpedo consisted of a charge fitted to a long pole that was rammed against the target by a small boat.
There was also the towed or Harvey torpedo which was guided into contact with it’s target by the towing vessel.
In 1854, Giovanni de Luppis produced the first torpedo as we now know it with his clockwork powered Coastal Fire Ship. To further develop his design de Luppis enlisted the help of Robert Whitehead, an English engineer working in Italy. Whitehead quickly realised the limitations of the de Luppis idea and went on to design the torpedo that carried his name and became the standard weapon of the world’s navies.
Whitehead’s success lead to a host of imitators, most being quickly consigned to history. One of the few successful designs was the innovative one by Louis Brennan.
Brennan’s torpedo was designed and developed between 1874 and 1877 when he obtained a patent for his idea. Between 1876 and 1880 the Australian state of Victoria awarded a grant for its development. A working model was successfully tested in Hobsons Bay, Melbourne in March 1879 and in 1881 the torpedo was inspected by the Admiralty at Woolwich. They advised that it should not be adopted for ships but suggested further trials from forts. In 1883 an agreement was reached between the Brennan Torpedo Company and the Government.
The newly appointed IGF, Sir A. Clarke, saw the value of the torpedo and in Spring 1883 an experimental station was established at Garrison Point Fort, Sheerness. A workshop for Brennan was set up at the Chatham Barracks home of the Royal Engineers. Between 1883 and 1885 the R.E. held trials and in 1886 the torpedo was recommended for adoption as a harbour defence torpedo. It was wire driven and required a shore based winch and steering mechanism.
There were at five Brennan Stations in the UK and Brennan awarded a challenge cup in which forts at, Plymouth, Isle of Wight, Cork and Gravesend competed for along with Sheerness installation where the competition was held. The Isle of Wight station was at Fort Albert (Cliff End Fort) and defending the Needles Passage. At Gravesend an installation was placed in Cliffe Fort, At Cork a new site was created close to Fort Camden and that at Plymouth was also a new construction at Pier Cellars.
Other operational stations were at Lye Mun in Hong Kong, and Tigne and Ricasoli in Malta. The Sheerness installation was also used for training by the Brennan Torpedo School. Initially this school was based at the Torpedo Factory at Gillingham where theory was taught, moving to Sheerness to run the torpedo, being moved to Sheerness in 1901.
The 1905 report of the Committee on Armaments of Home Ports, under the presidency of Col. Owen, recommended the removal of all Brennan torpedoes from the fixed defences because of their comparatively short range (2,000 yards) and the difficulty of launching them at night. While manufacture of the Brennan torpedo ceased prior the closure of the stations, the factory was kept busy converting torpedoes to use thicker wire, improving the propellor design and ancillaries for the stations.
The only know surviving Brennan torpedo is to be found in the museum of the Corps of Royal Engineers at Chatham. It has been restored as far as is possible as no detailed drawings exist and many parts are missing. There is a replica Brennan torpedo on display at the Museum of Coastal Defence in Lye Mun, Hong Kong
![]() |
![]() |
|---|---|
The Trials winding engine | The surviving Brennan Torpedo at The Royal Engineers' Museum, Kent. U.K. (Photo courtesy of R.E. Museum) |
The Brennan Torpedo was based in eight locations in the U.K. and abroad from 1890 to 1906, Cliffe Fort on the Thames, Garrison Point Fort at the entrance to the Medway, Pier Cellars at the entrance to Plymouth Harbour, Fort Albert on the western approaches to Portsmouth, Fort Camden in Cork, Ireland, Lye Mun in Hong Kong, Forts Tigne and Ricasoli in Malta. Manned and operated by the Royal Engineers,the training establishment was at Garrison Point Fort.
The original Brennan Torpedo at the Royal Engineers Museum, Chatham, Kent . This is the only surviving example. |
||
|---|---|---|
The Launch Sequence

The replica Brennan Torpedo on display at Lye Mun Museum of Coastal Defence.
(Photo copyright Neil F. Campbell 2003)
Brennan Photographs : Alec Beanse
![]() |
![]() |
![]() |
Pier Cellars Brennan Torpedo Establishment, Plymouth. |
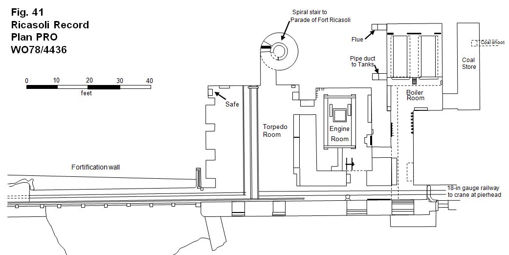
Ricasoli Brennan Station: Malta |
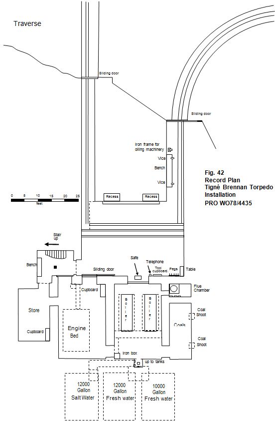
Tigne Brennan Station: Malta |
The Brennan Torpedo by Alec Beanse |
![]() |